プロフィール

コバ
三重県
プロフィール詳細
カレンダー
検索
タグ
アーカイブ
アクセスカウンター
- 今日のアクセス:51
- 昨日のアクセス:154
- 総アクセス数:2019551
QRコード
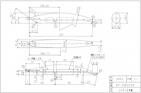
▼ コバペン8号機 図面公開
- ジャンル:日記/一般
- (ハンドメイドルアー図面, ハンドメイド(ルアー))
ショアキャスティング青物用シンキングペンシル
『 コバペン8号機 』 の図面をUP します。
ルアーの製作依頼を、いただくことがありますが
製作には多くの時間が必要なので、
依頼に答えることができません。![]()
そこで、解決策として
図面を公開しますので、
興味のある方は自由に製作してください。![]()

↑ クリックすると大きくなります。
原寸大の図面が欲しい人は、上のメッセージ
(下のコメント
ではない)よりPCメールアドレスを送信してください。
PDFデータを返信しますので等倍になるように調整して印刷
してください。
◆コバペン8号機(シンキングペンシル)
長さ:125mm
質量:45g(フック搭載時)
材質:アガチス
1.4mm硬質SUS貫通ワイヤ
コーティング:ウレタン
フック:ST56#1
スプリットリング#5
そのままコピーしてもOKですし、青物ルアー初製作の方が
コレを参考にアレンジしていただいてもOKです。
多分、後者の方が釣った時の喜びが大きいと思いますが・・・
8号機の木材はアガチス使用です。
ファルカや桐など比重の軽い木材を使用するときはウエイトの
配置と前後の配分が大きく変わるはずです。注意してください。
図面はブランク状態での寸法です。
これに、アルミやホロテープを貼ったり、ウレタンコーティング
したりしますので完成時はもう少し太いです。
面倒であれば何も貼らずに塗装しても良いと思います。
コーティングで随分質量UPしますので完成時の質量は
40g前後になります。
フック ST56#1 とスプリットリング#5を装着すると
45g前後になります。
微妙な流線形状のボカシ方などは3D CADじゃないと
表現できませんが、作り手によって違いが出て、泳ぎも変わる
ことがハンドメイドの良さでもありますから、製作者のフィーリン
グで味付けすれば良いと思います。![]()
同じ人が作っても全てを同じ泳ぎには作ることは出来ません。
これもまた、自作の面白さです。![]()
制作方法は釣りログの『13号機製作 その1~4』の手順を
見れば概略分ると思いますし、それぞれ独自の作り方でも
良いと思います。![]()
- 2011年3月30日
- コメント(3)
コメントを見る
コバさんのあわせて読みたい関連釣りログ
fimoニュース
登録ライター
- ダイワ:だいふく零
- 1 日前
- ichi-goさん
- ふるさと納税返礼品
- 1 日前
- papakidさん
- 夏の景色の中で
- 2 日前
- はしおさん
- 43rd ONE ON ONE
- 3 日前
- pleasureさん
- 『早く帰れれば・・・』 2025/…
- 3 日前
- hikaruさん
本日のGoodGame
シーバス
-
- 清流鱸を追って38
- 金森 健太
-
- 続・ありがとうサミー100スズキサイ…
- そそそげ



















最新のコメント